Odtokový žlab rohový pro obklad, KFLp, 800x800mm
Nerezový odtokový žlab pro sprchy KNFLp s přírubou, pro odtok vody využívá obvodovou drážku, zatímco vlastní střed žlabu je vynechán pro položení dlažby. Tím odtokový žlab pro sprchymaximálně splyne s podlahou a nenaruší design dlažby.
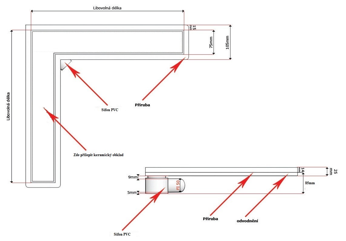
Odtokový žlab pro sprchy je lomený, má dvě ramena a používá se ve sprchových koutech jako rohový žlab a osazuje se do podlah o minimální výšce 85mm včetně dlažby.
Odtokový žlab pro sprchy je vybaven vodorovnou přírubou, která slouží pro lepší uchycení do podlahy a snadnější napojení dlažby až ke žlabu. Sifon je plastový s odtokem 50mm, žlábek je vysoký 85mm. Samotný odtokový žlab pro sprchy je vyroben z kvalitní nerezi a umožňuje dobrou čistitelnost.
Dodává se v šířce 75mm, délkách ramen 300x300mm až 1000x1000mm.
Za příplatek je možné odtokový žlab pro sprchy vybavit nerezovými montážními nožkami.
Stavebniny hrou






